Lichtbooster Relaischaltung

Alles was unter Strom steht
Antworten
Benutzeravatar
Marc20vt
Administrator
Beiträge: 702
Registriert: 04.03.2015, 01:34
Kontaktdaten:

Lichtbooster Relaischaltung

Beitrag von Marc20vt »

Ein Lichtbooster oder auch Relaischaltung verbessert das Licht des 2er Golfs enorm.

Durch das Alter der Steckverbindungen,Kabel, Kontakte und der länge der kabel durch das Auto Schalter und Sicherungen kommt es zu Spannungsverlusten an den H4/H3 Lampen.
Spannungsmessungen ergab an meinem Auto bis zu 3Volt verlust im Schnitt sind das ca. 20-30% weniger Watt an den Lampen.
Dadurch sind die Lampen Gelblich und sehr dunkel im vergleich zur voller Spannung.
Gerade bei schlechtem Wetter ist dies echt nervig wenn man fast nichts bzw wenig sieht.

Man braucht für den Bau eines Lichtboosters einiges an Material
Jeh Variante kann dies aber sehr stark die kosten beeinflussen!

Variante 1 Klassisch 2xH4 2xH3 =Haupt und Zusatzscheinwerfer
Grundmaterial
4 Relais mit 1nem Schlieserkontakt
4 Sicherungen mit jeh 10A
1 Box wo alles rein geht
2 H4 Stecker
2 Stecker fürs Fernlicht
Signal/Schaltleitung 0,5 stark länge kommt noch
Hauptleitung mindestens 2,5 Stark länge kommt noch
2 Ringösen für Batterieanschluss
und jeh Anschluss der Sicherung entweder Sicherungshalter oder Flachstecker
Materialkosten wenn alles neu in guter Qualität gekauft wird ca 50-60€. Gebrauchte Teile gehn natürlich auch dann bekommt man alles auch für 10€

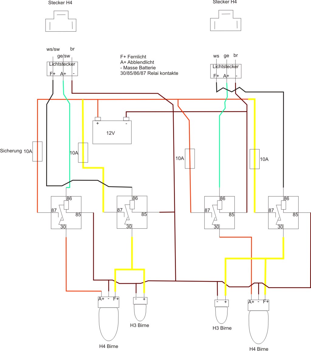
Der Schaltplan
Booster fertig.jpg
ZB ne Box
Box.jpg
H4 Stecker
h4 stecker.jpg
Relai hier gleich mit Sicherung spart man sich das nächste Bild
relai.jpg
relai.jpg (6.04 KiB) 13058 mal betrachtet
Sicherungshalter
Sicherungshalter.jpg
Sicherungshalter.jpg (11.26 KiB) 13058 mal betrachtet
Benutzeravatar
schmidt-christian
Administrator
Beiträge: 194
Registriert: 05.03.2015, 09:10
Wohnort: Nürnberg / Mendorferbuch
Kontaktdaten:

Re: Lichtbooster Relaischaltung

Beitrag von schmidt-christian »

Saubere Sache, hab ich bei mir auch integriert! Ich hab die Relais allerdrings gleich direkt neben die Zentraleinheit gebaut und mir daher die Box gespart ;)

Gruß Christian
Benutzeravatar
Marc20vt
Administrator
Beiträge: 702
Registriert: 04.03.2015, 01:34
Kontaktdaten:

Re: Lichtbooster Relaischaltung

Beitrag von Marc20vt »

kumpel hat die variante relais direkt an schloßträger 2 links 2 rechts
Benutzeravatar
djjenzz
Beiträge: 130
Registriert: 05.03.2015, 11:54
Wohnort: Wendlingen
Kontaktdaten:

Re: Lichtbooster Relaischaltung

Beitrag von djjenzz »

Ich hab noch keine Variante :D aber es steht auf der ToDo Liste.
Hatte auch überlegt, die fertige Variante zu bestellen, ist halt schon ´ne Stange Geld. :?
¯\_(ツ)_/¯ When nothing goes RIGHT - go LEFT ¯\_(ツ)_/¯
Benutzeravatar
F&I-GTDoettinger
Beiträge: 195
Registriert: 08.03.2015, 10:52
Wohnort: Lkr Ravensburg
Kontaktdaten:

Re: Lichtbooster Relaischaltung

Beitrag von F&I-GTDoettinger »

Jens dafür hättest aber gleich je nach dem was du ausgeben willst, n paar Funktionen mit dabei. ;)
Benutzeravatar
schmidt-christian
Administrator
Beiträge: 194
Registriert: 05.03.2015, 09:10
Wohnort: Nürnberg / Mendorferbuch
Kontaktdaten:

Re: Lichtbooster Relaischaltung

Beitrag von schmidt-christian »

Die Kaufversion hab ich mir auch angesehen, bevor ichs selber in die Hand genommen hab. Find ja die Coming und Leaving Home Funktion ganz cool, allerdings waren mir die dann über 100 Euro schon etwas zu viel, für das, dass man dann auch noch die blöde Box irgendwo verstecken muss.
Dann lieber oldschool :D
Benutzeravatar
fire-ice-martin91
Beiträge: 3342
Registriert: 08.03.2015, 15:26
Wohnort: Altentreptow
Kontaktdaten:

Re: Lichtbooster Relaischaltung

Beitrag von fire-ice-martin91 »

Bei mir ist eh schon kein Platz mehr dank Klima und vor allem dem großen Wischwaschbehälter. :D
Benutzeravatar
F&I-GTDoettinger
Beiträge: 195
Registriert: 08.03.2015, 10:52
Wohnort: Lkr Ravensburg
Kontaktdaten:

Re: Lichtbooster Relaischaltung

Beitrag von F&I-GTDoettinger »

fire-ice-martin91 hat geschrieben:Bei mir ist eh schon kein Platz mehr dank Klima und vor allem dem großen Wischwaschbehälter. :D
Martin, ich würde mal sagen, dass mein Motorraum auch net gerade viel Platz bietet. Darum sitzt bei mir der Kasten zwischen Batterie und Scheinwerfer. ;)
Sieht man hier relativ gut.

Bild
Benutzeravatar
fire-ice-martin91
Beiträge: 3342
Registriert: 08.03.2015, 15:26
Wohnort: Altentreptow
Kontaktdaten:

Re: Lichtbooster Relaischaltung

Beitrag von fire-ice-martin91 »

Stimmt da ist noch bissl Platz, einzigste wäre noch unterm Ausgleichsbehälter, wo das bei mir aber auch net mehr geht weil vollgestopft.
Benutzeravatar
schmidt-christian
Administrator
Beiträge: 194
Registriert: 05.03.2015, 09:10
Wohnort: Nürnberg / Mendorferbuch
Kontaktdaten:

Re: Lichtbooster Relaischaltung

Beitrag von schmidt-christian »

Oder du versteckst die Box im Rahmen selbst :D Da hättest auch du noch Platz!
Benutzeravatar
fire-ice-martin91
Beiträge: 3342
Registriert: 08.03.2015, 15:26
Wohnort: Altentreptow
Kontaktdaten:

Re: Lichtbooster Relaischaltung

Beitrag von fire-ice-martin91 »

ne da past dich nicht rein und vom Rahmen raus gehts auch nicht mehr, werd mir die aber nicht verbauen, der Golf fährt eh nur noch im Sommer und auch mehr beim guten Wetter, für schlechtes Wetter ist der BW zuständig.
Benutzeravatar
schmidt-christian
Administrator
Beiträge: 194
Registriert: 05.03.2015, 09:10
Wohnort: Nürnberg / Mendorferbuch
Kontaktdaten:

Re: Lichtbooster Relaischaltung

Beitrag von schmidt-christian »

Ja ok, aber da wirds auch mal Nacht. Du könntest die auch im Kotflügel verstecken. Aber ich bin auch nicht der Boxfan!
Benutzeravatar
fire-ice-martin91
Beiträge: 3342
Registriert: 08.03.2015, 15:26
Wohnort: Altentreptow
Kontaktdaten:

Re: Lichtbooster Relaischaltung

Beitrag von fire-ice-martin91 »

Ist nicht original, also lasse ich das erstmal, hab ja noch mehr zu tun.
Beim BW Golf mit Einfachscheinwerfern ist da übrigends kein großer Unterschied, wenn man den Hebel bei Fernlicht festhält meine ich jetzt und das ist auch noch die alte ZE.
Benutzeravatar
schmidt-christian
Administrator
Beiträge: 194
Registriert: 05.03.2015, 09:10
Wohnort: Nürnberg / Mendorferbuch
Kontaktdaten:

Re: Lichtbooster Relaischaltung

Beitrag von schmidt-christian »

Es leuchten ja bei dem Lichtbooster auch nicht beide Glühfäden, es is nur so, dass durch die Trennung Arbeitsstromkreis und Steuerstromkreis wieder vermehrt über oder überhaupt 12 Volt am Birnchen ankommen. Du kannst ja zB Mal messen, was du jetzt ohne am Stecker der Glühbirne hast.
Man könnte sich auch ne Strippe von der Batterie zu einer Birne legen, um das Licht direkt anzusteuern und die andere Birne dann mim Schalter anschalten, dann sollte man den Unterschied sehen, falls einer existiert.
Benutzeravatar
F&I-GTDoettinger
Beiträge: 195
Registriert: 08.03.2015, 10:52
Wohnort: Lkr Ravensburg
Kontaktdaten:

Re: Lichtbooster Relaischaltung

Beitrag von F&I-GTDoettinger »

Chris das wird auch nicht funktionieren, da du ja durch das Abklemmen der einen Lampe, den Stromkreis wieder entlastest und somit das Ergebnis verfälscht wird, denke ich mal. :)
Benutzeravatar
fire-ice-martin91
Beiträge: 3342
Registriert: 08.03.2015, 15:26
Wohnort: Altentreptow
Kontaktdaten:

Re: Lichtbooster Relaischaltung

Beitrag von fire-ice-martin91 »

Ich weiß aber so meine ich das nicht, ich hab ja kein Lichtbooster drinne, aber mit würde das da auch nicht viel bringen glaube ich zumindest, werd das aber erstmal auch nicht testen, zu wenig Zeit dafür.
Benutzeravatar
Marc20vt
Administrator
Beiträge: 702
Registriert: 04.03.2015, 01:34
Kontaktdaten:

Re: Lichtbooster Relaischaltung

Beitrag von Marc20vt »

Martin glaub mir du wärst begeistert. Ich bestell mir jetzt die Sicherungen+Relai zum Testen wo und wie man es verschönern kann
Benutzeravatar
schmidt-christian
Administrator
Beiträge: 194
Registriert: 05.03.2015, 09:10
Wohnort: Nürnberg / Mendorferbuch
Kontaktdaten:

Re: Lichtbooster Relaischaltung

Beitrag von schmidt-christian »

wenn ich Mitte April mal Zeit finde, werd ich mal einen Test am Auto machen mit einer Birne so und einer so und dann Bilder schießen ;)
Benutzeravatar
fire-ice-martin91
Beiträge: 3342
Registriert: 08.03.2015, 15:26
Wohnort: Altentreptow
Kontaktdaten:

Re: Lichtbooster Relaischaltung

Beitrag von fire-ice-martin91 »

Ich hatte ja auch einen drinne, aber dann hängen da wieder Kabel und 2 neue Stecker rum, da bin ich kein Fan von.
Antworten